-
科威尔取得三相交错双向谐振半桥直流变换器系统及控制方法专利,实现原副边三相电流均衡控制详细阅读
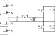
金融界2024年8月28日消息,天眼查知识产权信息显示,科威尔技术股份有限公司取得一项名为“三相交错双向谐振半桥直流变换器系统及控制方法“,授权公告号CN115498889B,申请日期为2022年10...
2024-08-30 614 科威尔取得三相交错双向谐振半桥直流变换器系统及控制方法专利实现原副边三相电流均衡控制
金融界2024年8月28日消息,天眼查知识产权信息显示,科威尔技术股份有限公司取得一项名为“三相交错双向谐振半桥直流变换器系统及控制方法“,授权公告号CN115498889B,申请日期为2022年10...
2024-08-30 614 科威尔取得三相交错双向谐振半桥直流变换器系统及控制方法专利实现原副边三相电流均衡控制